Unit of Measure
Specifications
|
Standard Tolerances
|
Materials
|
Technical Specifications
|
Additional Notes and Specifications
Specifications
Manufacturer Stock |
N/A {0} |
Brands |
N/A Mill-Max® |
Manufacturer |
N/A Mill-Max� |
| Mounting Feature1 | N/A Solder Mount |
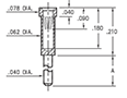
Mounting Hole Diameter |
N/A 0.066 in1.676 mm |
Length (A) |
N/A 0.110 in |
| Alternate Mounting2 | N/A Through-Hole Solder Tail Mount |
Alternate Mounting Hole |
N/A 0.0420 in |
Pin Diameter Range |
N/A 0.025 to 0.037 in0.635 to 0.940 mm |
Packaging |
N/A Packaged in Bulk |
Restriction of Hazardous Substances (RoHS) |
N/A No |
| Product Lifecycle3 | N/A Active |
Current Rating at 10 Degree Celsius (ºC) Temperature Rise |
N/A 4.5 A |
Standard Tolerances
Standard Length Tolerance (±) |
N/A 0.005 in0.13 mm |
Standard Diameter Tolerance (±) |
N/A 0.002 in0.051 mm |
Standard Angle Tolerance (±) |
N/A 2 º |
Materials
| Shell Material4 | N/A Brass Alloy |
| Shell Plating5 | N/A 200 to 300 µin Tin/Lead over Nickel |
| Contact Plating6 | N/A 30 µin Gold over Nickel |
Technical Specifications
| Minimum Durability7 | N/A 1000 cycles |
| Operating Temperature Range8 | N/A -55/+125 ºC |
| Maximum Contact Resistance9 | N/A 10 mΩ |
| Shock10 | N/A No Elect. Discontinuity > 1 μs at 50 g |
| Vibration11 | N/A No Elect. Discontinuity > 1 µs at 10 to 2000 Hz, 20 G |
Additional Notes and Specifications
Additional Notes and Specifications |
N/A In the interest of improved design, quality and performance, Mill-Max® reserves the right to make changes in its specifications without prior notice. Specifications and tolerances are provided wherever possible. The tolerance on dimensions of critical to function features is typically held tighter than the stated standard tolerances, such as press-fits, holes and lengths affecting the coplanarity of SMT products. Due to the wide variety of interconnects Mill-Max® offers, the specific tolerances vary from product to product. If you need information regarding the tolerance of a particular part, please contact Technical Services. |
- 1 For through-hole solder mounting of this part, the suggestion is to make the finished hole size, at its minimum, 0.004" larger than the diameter being soldered into the mounting hole.
- 2 For through-hole solder mounting of this part, the suggestion is to make the finished hole size, at its minimum, 0.004" larger than the diameter being soldered into the mounting hole.
- 3 Part is Active and in Production, No Scheduled Obsolescence.
- 4 Brass Alloy 360 per ASTM B 16, or 385 per ASTM B455.
- 5 TIN/LEAD (93/7) per ASTM B 545 (Appendix X6.3.2.5 to eliminate whisker growth) Bright finish; NICKEL per ASTM B 689, Type 2 (Bright).
- 6 GOLD per ASTM B 488, Type 1 (99.7% min. gold), Code C (130-200 HK {Knoop hardness}), NICKEL per ASTM B 689, Type 2 (Bright)
- 7 Receptacles are capable of 1,000 Minimum insertion/extraction cycles for a broad range of applications. Mating pin size, shape and finish, along with application specific variables, will affect the life of a receptacle contact.
- 8 Per IEC 60512-11-(4,-9,-10,-12).
- 9 Per EIA-364-23C, Low Level Contact Resistance.
- 10 Per IEC 60512-6-3: Test 6c: Shock.
- 11 Per IEC 60512-6-4: Test 6d: Vibration (sinusoidal).
We use cookies to ensure that we give you the best experience on our website. If you continue to use this site we will assume that you are happy with it.Ok