Unit of Measure
Specifications
|
Standard Tolerances
|
Environmental Specifications
|
Mechanical Specifications
|
Materials
|
Technical Specifications
|
Electrical Specifications
|
Additional Notes and Specifications
Specifications
Manufacturer Stock |
N/A {0} |
Brands |
N/A Mill-Max® |
Manufacturer |
N/A Mill-Max� |
Series |
N/A 110 |
Type |
N/A Dual In-Line Package (DIP) |
Category |
N/A Dual In-Line Socket |
Mounting Style |
N/A Surface Mount |
Number of Pins |
N/A 18 |
Packaging |
N/A Packaged in Tubes |
Tube Quantity |
N/A 22 |
Pitch Size |
N/A 0.100 in2.540 mm |
Product Lifecycle |
N/A Active |
Standard Tolerances
Assembly Tolerance (±) |
N/A 0.010 in0.25 mm |
Insulator Length Tolerance (±) |
N/A 0.005 in0.13 mm |
Insulator Width Tolerance (±) |
N/A 0.005 in0.13 mm |
Insulator Height Tolerance (±) |
N/A 0.005 in0.13 mm |
Pin Length Tolerance (±) |
N/A 0.005 in0.13 mm |
Pin Diameter Tolerance (±) |
N/A 0.002 in0.051 mm |
Pin Angle Tolerance (±) |
N/A 2 º |
Coplanarity of Surface Mount Type (SMT) Connectors in Connector Length |
N/A 0.005 to 1 in0.13 to 25.4 mm |
Insulator Flatness in Connector Length |
N/A 0.005 to 1 in0.13 to 25.4 mm |
Environmental Specifications
| Temperature Range1 | N/A -55/+125 ºC |
| Shock2 | N/A No Elect. Discontinuity > 1 µs at 50 g |
| Vibration3 | N/A No Elect. Discontinuity > 1 µs at 10 to 2000 Hz, 15 G |
Mechanical Specifications
| Minimum Durability4 | N/A 1000 cycles |
Surface Mount Type (SMT) Pad Size |
N/A 0.039 in0.991 mm |
Materials
Loose Pin/Receptacle # Material |
N/A 1005 (Brass Alloy) |
Shell Plating |
N/A 200 µin Tin/Lead (93/7) over 100 µin Nickel |
Inner Contact |
N/A 30 |
Contact Fingers |
N/A 4 |
Inner Contact Material |
N/A Beryllium Copper |
Inner Contact Plating |
N/A 30 µin Gold over 50 µin Nickel |
Insulator Material |
N/A High Temperature Thermoplastic |
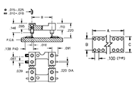
Technical Specifications
Dimension A |
N/A 0.900 in22.860 mm |
Dimension B |
N/A 0.300 in7.620 mm |
Dimension C |
N/A 0.400 in10.160 mm |
Electrical Specifications
| Current Rating5 | N/A 3 A |
Maximum Contact Resistance |
N/A 10 mΩ |
Root Mean Square (RMS) Rated Voltage |
N/A 100 V |
Direct Current (DC) Rated Voltage |
N/A 150 V |
Minimum Insulation Resistance |
N/A 10000 MΩ |
Minimum Root Mean Square (RMS) Dielectric Withstanding Voltage (VRMS) |
N/A 1000 V |
Additional Notes and Specifications
Additional Notes and Specifications |
N/A In the interest of improved design, quality and performance, Mill-Max® reserves the right to make changes in its specifications without prior notice. Specifications and tolerances are provided wherever possible. The tolerance on dimensions of critical to function features is typically held tighter than the stated standard tolerances, such as press-fits, holes and lengths affecting the coplanarity of SMT products. Due to the wide variety of interconnects Mill-Max® offers, the specific tolerances vary from product to product. If you need information regarding the tolerance of a particular part, please contact Technical Services. |
- 1 Per IEC 60512-11-(4,-9,-10,-12).
- 2 For discrete pin only. Per IEC 60512-6-3: Test 6c: Shock.
- 3 For discrete pin only. Per IEC 60512-6-3: Test 6c: Shock
- 4 Receptacles are capable of 1,000 Minimum insertion/extraction cycles for a broad range of applications. Mating pin size, shape and finish, along with application specific variables, will affect the life of a receptacle contact.
- 5 Per IEC 60512-5-1, Current Carrying Capacity (evaluated at 10 ºC Temp. Rise).
We use cookies to ensure that we give you the best experience on our website. If you continue to use this site we will assume that you are happy with it.Ok