Unit of Measure
Specifications
|
Standard Tolerances
|
Materials
|
Technical Specifications
|
Additional Notes and Specifications
Specifications
Manufacturer Stock |
N/A {0} |
Brands |
N/A Mill-Max® |
Manufacturer |
N/A Mill-Max� |
Mounting Feature |
N/A Press-Fit into a Non-Plated Through Hole (NPTH) or Insulator |
Applicable Wire Size |
N/A Up to 22 AWG |
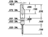
Mounting Hole Diameter |
N/A 0.057 in1.448 mm |
| Alternate Mounting1 | N/A Through-Hole Solder Tail Mount |
Alternate Mounting Hole |
N/A 0.0240 in |
Packaging |
N/A Packaged in Bulk |
| Restriction of Hazardous Substances (RoHS)2 | N/A true |
| Product Lifecycle3 | N/A Active |
Standard Tolerances
Standard Length Tolerance (±) |
N/A 0.005 in0.13 mm |
Standard Diameter Tolerance (±) |
N/A 0.002 in0.051 mm |
Standard Angle Tolerance (±) |
N/A 2 º |
Technical Specifications
| Operating Temperature Range6 | N/A -55/125 ºC |
| Current Rating7 | N/A Application Specific |
Additional Notes and Specifications
Additional Notes and Specifications |
N/A In the interest of improved design, quality and performance, Mill-Max® reserves the right to make changes in its specifications without prior notice. Specifications and tolerances are provided wherever possible. The tolerance on dimensions of critical to function features is typically held tighter than the stated standard tolerances, such as press-fits, holes and lengths affecting the coplanarity of SMT products. Due to the wide variety of interconnects Mill-Max® offers, the specific tolerances vary from product to product. If you need information regarding the tolerance of a particular part, please contact Technical Services. |
- 1 For through-hole solder mounting of this part, the suggestion is to make the finished hole size, at its minimum, 0.004" larger than the diameter being soldered into the mounting hole.
- 2 Mill-Max® products labeled with the RoHS symbol are compliant with all three RoHS Directives. All of our products previously described as RoHS (2002/95/EC) and RoHS-2 (2011/65/EC) are also compliant with RoHS-3 (2015/863/EU).
- 3 Part is Active and in Production, No Scheduled Obsolescence.
- 4 Phosphor Bronze Alloy 544 per ASTM-B139.
- 5 GOLD per ASTM B 488, Type 1 (99.7% min. gold), Code C (130-200 HK {Knoop hardness}), NICKEL per ASTM B 689, Type 2 (Bright).
- 6 Per IEC 60512-11-(4,-9,-10,-12).
- 7 Current rating is typically a measured function of the female socket/connector. The amount of current a solid, male, brass pin can tolerate is a direct relation of the heat displaced based on current and the ability of neighboring components to handle displaced heat.
We use cookies to ensure that we give you the best experience on our website. If you continue to use this site we will assume that you are happy with it.Ok