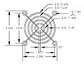
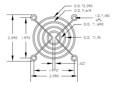
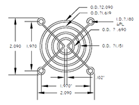
Weld joints to withstand min. 220 lbs. Separation force to meet UL/CSA standards. Conforms to U.L. 1/4" Plug gage test.

Unit of Measure

Specifications

Manufacturer Stock

N/A {0}

Brands

N/A Sanyo Denki

Manufacturer

N/A Sanyo Denki Co., Ltd.

Fan Size

N/A 60 mm²

Industry Standards

N/A Underwriters Laboratories (UL)/Canadian Standards Association (CSA®)

Minimum Plating Thickness

N/A 0.0005 in

Material

Material

N/A

Wire, Steel C1010 Electroplated Bright Nickel Chrome, Clear Zinc, or Black Electro deposit.
Plastic Noryl® or ABS UL94V-0