Unit of Measure

Specifications

Manufacturer Stock

N/A {0}

Brands

N/A Kycon

Manufacturer

N/A Kycon, Inc.

Series

N/A K22X

Footprint Size

N/A 0.318 in

Plating Options

N/A Gold Flash on Mating End, Tin on Termination End, Nickel Under plate on Entire Contact

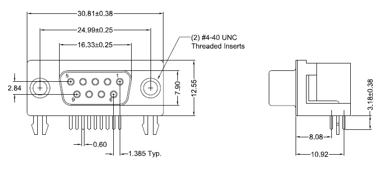
Number of Positions

N/A 9

Industry Standards

N/A Canadian Standards Association (CSA®) US File No. LR78160 European Directive (EU) Directive 2002/85/EC Restriction of Hazardous Substances (RoHS)

Material and Finish

Insulator Material

N/A Polybutylene Terephthalate (PBT) Thermoplastic with Glass-fiber Reinforcement, UL94V-0 Rated, Black Color

Shell Material

N/A Steel, Tin Plated

Contact Material (Socket)

N/A Phosphor Bronze

Electrical Specifications

Rated Current

N/A 2 A

Root Mean Square (RMS) Rated Voltage

N/A 30 V

Maximum Contact Resistance

N/A 13 mΩ

Dielectric Strength

N/A 1000 V for 1 min

Minimum Insulation Resistance at 500 Volt (V) Direct Current (DC) Voltage

N/A 1000 MΩ

Mechanical Specifications

Operating Temperature

N/A -55 to +105 ºC